The kit - Changes - Construction - The rotor head - Flying - Conclusion - Specification
Having been asked to build a 'Hornet CP' by Dave Wilshere, I had the opportunity to complete the triplet of 'Hornet' variations - FP, flybarless CP and CP.
The kit came as an FP kit plus the CP upgrade and was complete with MS 'MS-15' servos (Hitec HS-55), MS 'MS-055 plus' ESC (Jeti 05 modified), MS 5 channel receiver (Jeti 5 Rex modified) and a CSM 180 gyro. While you can obtain the kit without the electronics, this (FP plus CP upgrade) is currently the only way to obtain the CP version and results in a lot of duplication of linkages and other items. Apart from the standard 10 tooth motor pinion, the kit also includes 11, 12, and 13 tooth pinions. It also included a 7 cell 700 mAh NiMh battery pack and the familiar MS charger.
This also means that you have to read two construction manuals simultaneously (FP and CP) and make the necessary interpretations. If you have never built a 'Hornet' it would be easier to build it as an FP and then convert to CP. Otherwise, you going to get lost. We can only hope that there will eventually be a CP kit with a proper set of instructions. Hopefully, this will also mean a large price reduction (you are currently buying two complete rotor heads and two sets of blades).
What is surprising is the inclusion of the large, heavy and slow HS-55 servos rather than the vastly superior HS-50. Surprising because the difference in retail price is very small and the extra weight could make the difference between success and failure. The inclusion of the 'infamous' CSM gyro is just inexplicable.
The latest FP kits have a tailboom without any reduction in diameter at the front end. It is now easy to push the boom in too far. The tail gearbox is now retained by a setscrew, rather than by gluing, but the manual contains no reference to this. Nor is there even a suggestion that you might use a similar arrangement at the front to attach the boom to the chassis (body).
The holes for the motor mounting screws are still in the wrong place and need extending, both towards the motor and outwards.
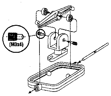
The setscrews provided in the CP kit for the flybar teeter have a reduced section which fits inside the teeter bearings. This is such an obvious improvement that it is staggering that they don't supply them in the FP kit. By careful adjustment, you can eliminate any binding between the inner and outer plastic parts.
The original plastic mast stopper has been replaced by a hefty aluminium collet with setscrew. A new tail pitch slider is included which has two ballraces. While better than the original, it still has a fair amount of slop. Particular examples are bound to vary and this one did have a nice smooth fit on the tail shaft.
Having already built two 'Hornets', this was straightforward. Some time was spent on aligning the undercarriage before gluing. This was set up so that the model was leaning slightly forward and a little to the right. Apart from the servo plates, this was the only part of the entire model that was glued.
I went ahead and finished the complete chassis, installed the servos and radio, without even looking at the rotor head. There is no way that you can get the two links from the aileron/pitch servos to the swashplate to be either vertical or parallel. This not being my model I did things as instructed. If it had been mine, I would have changed the servo location to acheive this. I used the 120 degree swashplate supplied with the CP upgrade. You could, of course use the 90 degree swash from the original FP kit if you want 90 degree CCPM. My own CP uses this set-up and the links are rather more parallel.
I mounted the receiver on edge and aligned with the left side of the chassis so that the receiver and chassis provided a large area to stick the gyro to. For the first trial flight I temporarily attached the gyro with thin servo tape. It didn't behave as badly as I had been led to believe. However, when I later attached the gyro with the thick tape provided the performance was very poor! Thankfully, it's not my problem!
Dave was making the canopy himself, so I didn't have that chore. For the moment I used my standard method of fixing the battery which is detailed elsewhere.
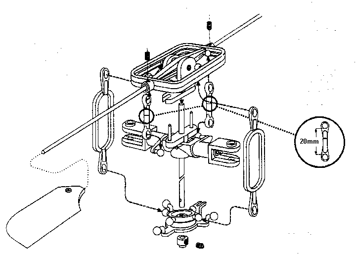
The main part of the head relies on two mouldings which are separated by three rubber 'O' rings. These supply damping for the head. You are advised to use soapy water to assist in fitting the rings. I found that they can be easily pushed into position - and just as easily fall out! Strange that nobody else has mentioned this. There is a dramatic reduction in control response when just one falls out.

The outer moulding has threaded brass inserts to accept the bolts which retain the blade holders. These each have two radial bearings. This whole assembly is attached to the mainshaft by the inevitable pin. I'm getting used to these things now and I was able to attach the head to the top of the fully assembled model with little difficulty.
The inner moulding is topped by two pins which serve to stop the flybar cage from rotating. These engage in slots in what appears to be a modified version of the original EO44 which acts as the saddle for the flybar teeter pivot as in the FP version.

It's worth explaining here that the entire flybar assembly rises and falls with collective pitch changes (actually, it goes down to increase pitch). A fixed flybar would have required at least one extra mixing arm for each blade.
MS appear to have taken some notice of complaints, because all of the ball links supplied are a much better fit than in the original FP kits. Maybe they should have taken a little less notice because, if anything, they are too loose.
With one of my old canopies and a 7 cell battery pack fitted, the all-up weight came to exactly 300 grams. This is almost exactly one ounce heavier than my own (flybarless) CP. Not surprisingly, it struggled to fly. More so as I had fitted the standard 10 tooth pinion. The owner can play around with the alternative pinions as that lay outside my brief. I tried it on one of my well used 8 cell packs and was unable to get more than around 6 minutes.
As I had expected, the cyclic response was very similar to my FP version with restricted teeter. When one of the 'O' rings dropped down onto the shaft, the response was just about identical to a standard FP. As I am not allowed to break it, or wear it out, I shall have to wait and see what Dave makes of it.
In this form it is certainly not going to set the world alight. With better servos and gyro plus some experimentation with the gearing it has lots of potential. I would certainly recommend buying just the kit and getting the electronics separately. You are still paying for two heads.
Most of the advantages of the original fixed pitch model would appear to be completely negated, maybe they should have started with a clean sheet of paper. As someone once said, "If I was going there, I wouldn't start from here."
| Model | 'Hornet' |
| Manufacturer | MS Composit, 252 65 Tursko 37, Czech Republic Tel/Fax: +420 205 786 266 email: [email protected] http://www.mscomposit.com |
| UK Importer | Irvine Ltd., Unit 2, Brunswick Industrial Park, Brunswick Way, New Southgate, London. N11 1JL. Tel: +44 (0)20 8361 1123 Fax: +44 (0)20 8361 8684. |
| Main rotor diameter | 19.3 in. (490 mm) |
| Tail rotor diameter | 4.33 in. (110 mm) |
| Length | 23.6 in. (600 mm) |
| All up weight | 10.6 oz. (300g) |
| Main gear ratio | 18:1, 16.4:1, 15:1 or 13.8:1 |
| Main to tail gear ratio | 1:4 |
| Control requirements | 4 servos, speed controller and a gyro |
| Transmitter requirements | Basic helicopter or above |
| Powerplant | Speed 300 electric motor (supplied) |
| Receiver | MS 5 channel Micro Rx 35Mhz (Jeti 5 Rex modified) |
| Servos | MS 'MS-15' (Hitec 'HS-55') |
| Speed Controller | MS 'MS-55 plus' Micro 5A / BEC (Jeti 05 modified) |
| Gyro | CSM 180 |
| Power Pack | MS NiMH 700mA 8.4v & 9.6v |